典型的止漲型雙k線組合是前面一條陽線後面緊跟一條陰線(兩條線的實體都可大可小) ,且後面的那條陰線之最高價低於前面陽線的最高價,而其最低價低於前面陽線的最低價,即"無新高,有新低",兩條K線就合成瞭一條帶長上影的陰線,我們前面講過,帶長上影的陰線表明下跌動能十足。該K線組合說明雖然經過多方的努力,仍不能在前一日的基礎上將股價向上推高,哪怕一點點也不行,反面空方將其優勢擴大瞭,因為出現瞭新低。其圖形如下 
止漲雙K線組合表明短期內空方占據瞭優勢,是上升趨勢或上行波段暫停或反轉的信號。一般這種組合出現在某一上升波段已運行瞭相當一段時間,積累起比較大的漲幅時,準確性較高。
由典型的止漲雙K線組合,我們可以引申出多種雙K線組合,雖然它們不一定都像這樣"元新高,有新低",但它們都是上行趨勢或波段將要暫停或反轉的信號。一個明顯特征就是多方力量由先前的優勢地位轉為極為劣勢。
1.強弩之末
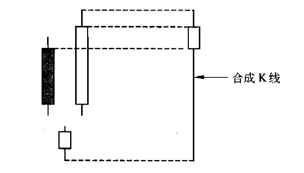
它由一條大陽線和一條開盤價在大陽線中位以下的陰線組成,兩條K線就合成瞭一條帶長上影線的K線(33型K線) ,如圖所示
從陰線的開盤價處在大陽線的中位下方,遠低於大陽線的收盤價,我們可以看出,那條大陽線耗盡瞭多方的最後一點力氣,多方已處於強弩之末,大陽線當日的買人者大部分都被套其中,多方暫時無法再將股價向上推進瞭,好的話,能保住以往的勝利果實,股價來回震蕩,這就會造成波段上行的暫停;不好的話,在空方的還擊下節節敗退,一瀉千裡,那就會造成上行波段結束,上行趨勢的反轉。
如圖所示,∞0792新中基在2∞9年8月4日收出一根大陽線,開盤價10.92元,收盤價11. 54元,次日開盤價為11. 18元,低於陌線實體中位11. 23元,雖然多頭盤中也曾奮力推高,但最終無功而返,以陰線報收,從此就進入瞭下跌趨勢中。
2.烏雲罩頂
"烏雲罩頂"要點 :
(1)由一根高位長陽線和一根高開並深入長陽實體中位以下的陰線組成。
(2) "烏雲罩頂"一般出現在高位,波段已運行相當一段時間後,否則可能是虛假的。
(3)由於長陽的慣性上沖,陰線一般高開。
(4)收盤時陰線的實體必須進入長陽的中位以下,如果未深入中位以下,須等待確認。
(5) "烏雲罩頂"是強烈的空頭信號,會嚴重影響後續走勢,強烈看空,特別在陰線成交量較大時。
(6)陰線實體深入陽線實體愈深,空頭意義愈濃,可靠性越高。
3.空頭吞噬
(1)由一根陰線實體吃掉前一根陽線實體,陽線實體完全處於陰線實體內部。
(2)發生在上行波段末端己運行較長時間,漲幅極大時,其他地方意義不
太明顯。
(3) "空頭吞噬"顯示出強烈的反轉意味,但也應該考慮所處的位置。
(4) "空頭吞噬"的力度與陰線的實體長度有關,完美的空頭吞噬型態是陽
線很短,陰線很長,並全部吃掉陽線。
4.平頂線
(1)處在高位且最高價相同。
(2)多種形態,線型可陰可陽,先陰後陽或先陽後陰。
(3)平頂線是非常可信的見頂信號,會出現下跌空間較大的調整。
(4)處在高位或波段頂部才是可靠賣出信號,其他位置意義不大。
(5) "平頂線"形成當日是最佳賣點,確定當日無新高即可確定該形態。
(6) "平頂線"可由相鄰兩條K線組成,也可在其間相隔幾條K線,其有效性更高(即短期內的雙頂)。
(7) "平頂線"可能連續出現,且第二組可能比第一組位置更高,更加可靠.
5.黃昏之星
(1)由一根順勢上升大陽線,緊接一條實體向上跳空小K線(可陰可陽) ,再加一條實體向下跳空大陰線組成,大陰線收盤價深人第一條陽線實體之內,最好深入到陽線實體112下方。
(2)兩次跳空,一次向上跳空,一次向下跳空。
(3)該組合K線形態應以第三條線的收盤價確認,在未收盤前恐有反復。
(4)常出現在高位。
(5)第三條線如果向下跳空很多,也可以不是大陰線,中小陰線亦可。
(6)如果第二條線是向下跳空且為十字星,就成為"崩盤十字星",殺傷力巨大.
(7)如果第二條線和第三條線之間沒有跳空,則該二線組合成"和平演變"K線組合,意味著由多方控盤慢慢演變為空方控盤。雖不如黃昏之星激烈,但也是看空信號。
(8)如將黃昏之星型態反過來,且處於低位,就成瞭"早晨之星",可能出
現"島型反轉"形態,是強烈的看多信號